
服務價:¥電議
好評系數:
 2014年2月7日,創新醫療器械注冊申報提上日程。藥監總局為了保障醫療器械的安全、有效,鼓勵醫療器械的研發與創新,促進醫療器械新技術的推廣和應用,推動醫療器械產業發展,根據《醫療器械監督管理條例》、《醫療器械注冊管理辦法》等法規和規章,制定了《創新醫療器械特別審批程序》。對滿足創新醫療器械注冊申請范圍的產品,給予優先審評審批特權。2019年,創新醫療器械特別審批進入快車道,較其他普通三類醫療器械首次注冊平均縮短了83天,加快了創新產品上市的步伐。迄今,這一特別審批的通過率僅約20%!切記:申請創新醫療器械注冊一定要有專利權!
1、核心技術發明專利權:申請人通過其主導的技術創新活動,在中國依法擁有產品核心技術發明專利權,或者依法通過受讓取得在中國發明專利權或其使用權,創新醫療器械特別審查申請時間距專利授權公告日不超過5年;或者核心技術發明專利的申請已由國務院專利行政部門公開并由國家知識產權局專利檢索咨詢中心出具檢索報告,報告載明產品核心技術方案具備新穎性和創造性。
	  2、國內首創:產品主要的工作原理或作用機理為國內首創,產品性能或安全性與同類產品比較有根本性改進,技術上處于國際領先水平,且具有顯著的臨床應用價值。
	  3、產品基本定型:申請人已完成產品的前期研究并具有基本定型產品,研究過程真實和受控,研究數據完整和可溯源。
1、創新醫療器械特別審查申請表:
	  產品名稱應符合《醫療器械通用名稱命名規則》等相關文件規定,性能結構及組成、主要工作原理/作用機理、預期用途部分填寫的內容應可反映產品特性的全部重要信息,簡明扼要,用語規范專業,不易產生歧義),并提交如下資料:
2、申請人企業資質證明文件:
	  境內申請人:企業營業執照副本復印件和組織機構代碼證(如適用)復印件;境外申請人:境外申請人注冊地所在國家(地區)醫療器械主管部門出具的企業法人資格證明文件。文件需經原出證機關簽章或者經當地公證機構公證。
3、產品知識產權情況及證明文件:
	  申請人已獲取中國發明專利權的,需提供經申請人簽章的專利授權證書、權利要求書、說明書復印件和專利主管部門出具的專利登記簿副本;
	  申請人依法通過受讓取得在中國發明專利使用權的,除了提交專利權人持有的專利授權書、權利要求書、說明書、專利登記簿副本復印件外,還需提供經專利主管部門出具的《專利實施許可合同備案證明》原件;
	  發明專利申請已由國務院專利行政部門公開、未獲得授權的,需提供經申請人簽章的發明專利已公開證明文件(如發明專利申請公布通知書、發明專利申請公布及進入實質審查階段通知書、發明專利申請進入實質審查階段通知書等)復印件和公布版權的權利要求書、說明書復印件。發明專利申請審查過程中,權利要求書和說明書應專利審查部門要求發生修改的,需提交修改文本;專利權人發生變更的,提交專利主管部門出具的證明性文件,如手續合格通知書復印件。
4、產品研發過程及結果綜述:
	  綜述產品研發的立題依據及已開展的實驗室研究、動物實驗研究(如有)、臨床研究及結果(如有)、提交包括設計輸入、設計驗證及設計輸出在內的產品研發情況綜合報告。
5、產品技術文件(至少應當包括):
	  (1)產品預期用途:
	  1)應當明確產品預期提供的治療、診斷等符合《醫療器械監督管理條例》第七十六條定義的目的,并可描述其適用的醫療階段(如治療后監測、康復等;)
	  2)說明產品一次性使用還是重復性使用
	  3)說明預期與其組合使用的器械(如適用)
	  4)目標患者人群的信息(如成人、兒童或新生兒),患者選擇標準的信息,以及使用過程中需要監測的參數、考慮的因素。
	  (2)產品工作原理/作用機理:詳述產品實現其預期用途的工作原理/作用機理,提供相關基礎研究資料。
	  (3)明確產品主要技術指標及確定依據,主要原材料、關鍵元器件的指標要求,主要生產工藝過程及流程圖,主要技術指標的檢驗方法。
6、產品創新的證明性文件,(至少應當包括):
	  (1)信息或者專利檢索機構出具的查新報告(應為中國境內信息檢索機構出具的科技查新報告或專利檢索機構出具的查新報告),報告內容可證明產品的創新點、創新水平及理由。查新報告的效期為1年。
	  (2)國內核心刊物或國外權威刊物公開發表的能夠充分說明產品臨床應用價值的學術論文、專著及文件綜述(如有),可提供本產品的文獻資料,亦可提供境外同類產品的文獻資料。
	  (3)國內外已上市同類產品的分析及對比:
	  提供境內已上市同類產品檢索情況說明。一般應包括檢索數據庫、檢索日期、檢索關鍵字及各檢索關鍵字檢索到的結果,分析所申請醫療器械與已上市同類產品(如有)在工作原理/作用機理方面的不同之處。
	  提供境外已上市同類產品應用情況說明。如有,提供支持產品在技術上處于國際領先水平的對比分析資料。
	  (4)產品創新內容及在臨床應用的顯著價值:
	  產品創新性綜述:闡述產品的創新內容,論述通過創新使所申請醫療器械較現有產品或治療手段在安全、有效、節約等方面發生根本性改進和具有顯著臨床應用價值。
	  支持產品具備創新性的相關技術資料。
7、產品風險分析資料
	  基于產品已開展的風險管理過程研究結果;
	  參照YY/T 0316《醫療器械風險管理對醫療器械的應用》標準相關要求編寫。
8、產品說明書(樣稿)
	  應符合《醫療器械說明書和標簽管理規定》中的相關要求。
9、其他證明產品符合“申請人已完成產品的前期研究并具有基本定型產品,研究過程真實和受控,研究數據完整和可溯源”的文件。
	  如產品或其核心技術曾經獲得過國家級、省部級科技獎勵,請說明并提交相關證明文件復印件。
10、所提交資料真實性的自我保證聲明。
	  境內產品由申請人出具;進口產品由申請人和代理人分別出具。
1、專利問題:專利文件不全、專利人和專利內容與項目不符或不是核心技術 ;
	  2、缺乏顯著臨床價值的支持性資料;
	  3、不屬于國內首創;
	  4、不屬于國際技術領先;
	  5、產品未定型;
	  6、查新報告不合格等。
1、早期介入,專人負責。
	  2、審核周期短,拿證快。
	  3、檢測、體系核查、審評優先。
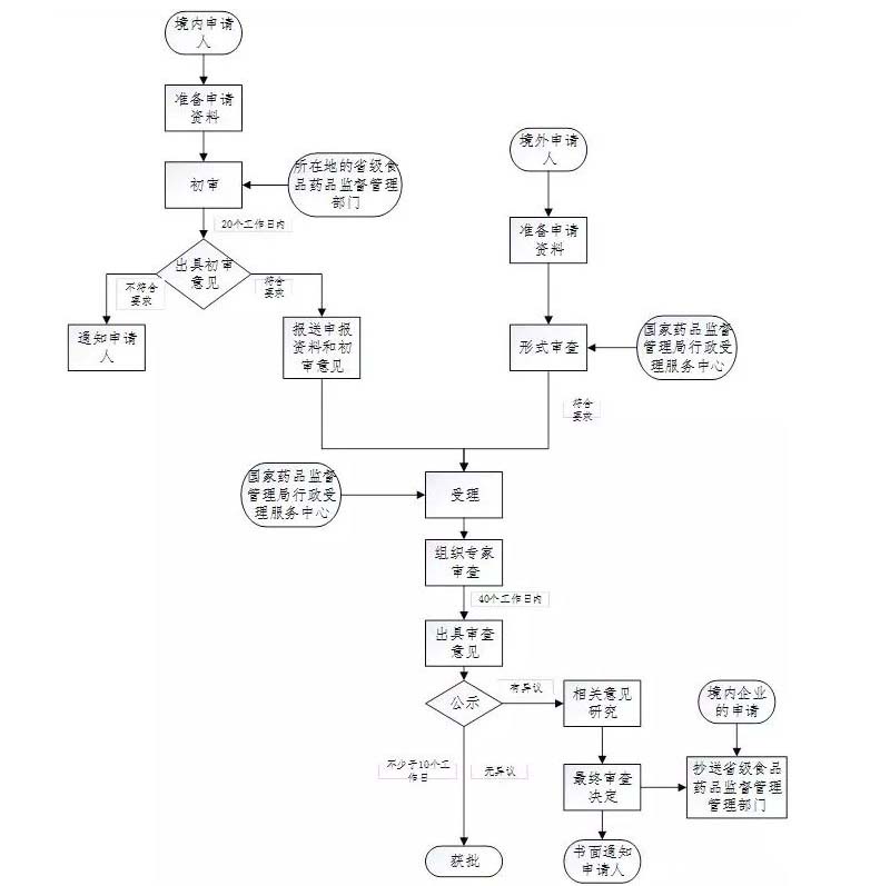
1、境內申請人先向所在地的省級藥品監督管理部門提出創新醫療器械特別審查申請。省級藥監管理部門進行初審,并于20個工作日內出具意見,對于符合要求的,省級藥監局將申報資料和初審意見一并報送NMPA行政受理服務和投訴舉報中心。
	  2、境外申請人直接向國家藥品監督管理局提出創新醫療器械特別審查申請。
	  3、受理和舉報中心創新器械的特別審查申請資料進行形式審查并通過后,會予以受理編號。對于已受理的創新醫療器械特別審查申請,申請人可以在審查決定前,申請撤回。
	  4、器審中心設立創新醫療器械審查辦公室,對創新醫療器械特別審查申請組織專家進行審查。應當于60個工作日內出具審查意見,應當在器審中心網站將申請人、產品名稱予以公示,時間不少于10個工作日,創新醫療器械辦公室做出審查決定后,通過器審中心官網通知申請人。
1、申請資料虛假的;申請資料內容混亂、矛盾的;
	  2、申請資料內容與申報項目明顯不符的;
	  3、申請資料中產品知識產權證明文件不完整、專利權不清晰的;
	  4、前次審查意見已明確指出產品主要工作原理或者作用機理非國內首創,且再次申請時產品設計未發生改變的。

1、創新醫療器械特別審批的申請必須在醫療器械產品注冊申報前提交。
	  2、第一類醫療器械不能申請創新醫療器械特別審批。
	  3、創新醫療器械特別審批的申請僅適用于首次注冊產品,不適用于延續注冊和許可事項變更。
	  4、創新醫療器械特別審批不收取申請費用。
1、創新醫療器械特別審批申請表;
	  2、所申請醫療器械創新性綜述;
	  3、產品技術文件。
	  注:電子文檔應以PDF等不可編輯文件。

國內創新醫療器械注冊申請,CFDA不收費。
備注
	  1、批準或未批準創新批件,不影響Ⅱ類Ⅲ類產品首次注冊收費。
	  2、小微企業創新產品首次注冊依法享受收費減免。
| 文件名稱 | 文號 | 
|---|---|
| 《醫療器械監督管理條例》 | 650號文件 | 
| 關于印發創新醫療器械特別審批程序(試行)的通知 | 局令2014年13號 | 
時間安排
	  第一階段:省局審核通過。 理論時間在20個工作日。
	  第二階段:國家局資料提交,跟蹤審核過程,取得審核結果。 理論時間在40個工作日。
| 二類醫療器械注冊服務 | 三類醫療器械注冊服務 | 
| 醫療器械臨床試驗服務 | GMP年度輔導服務 | 
| 醫療器械注冊人制度咨詢服務 | 

立即咨詢
 最新文章
 2025-09-16
 2025-09-16
 2025-09-16
 2025-09-16
 2025-09-16八年
醫療器械服務經驗
聯系思途,免費獲得專屬《落地解決方案》及報價
咨詢相關問題或咨詢報價,可以直接與我們聯系
思途CRO——醫療器械注冊臨床第三方平臺
