長江三角洲區域醫療器械注冊人制度試點工作實施方案(試行)(滬藥監械管〔2019〕112號)
為深入貫徹落實中共中央辦公廳、國務院辦公廳印發的《關于深化審評審批制度改革鼓勵藥品醫療器械創新的意見》(廳字〔2017〕42號),按照國家藥品監督管理局《關于擴大醫療器械
來源:醫療器械注冊代辦 發布日期:2016-02-20 閱讀量:次
附件:電子血壓計(示波法)注冊技術審查指導原則(2016年修訂版)(2016年第22號).doc
本指導原則旨在指導注冊申請人對電子血壓計(示波法)注冊申報資料的準備及撰寫,同時也為技術審評部門審評注冊申報資料提供參考。
本指導原則是對電子血壓計(示波法)的一般要求,申請人應依據產品的具體特性確定其中內容是否適用,若不適用,需具體闡述理由及相應的科學依據,并依據產品的具體特性對注冊申報資料的內容進行充實和細化。
本指導原則是供申請人和審查人員使用的指導文件,不涉及注冊審批等行政事項,亦不作為法規強制執行,如有能夠滿足法規要求的其他方法,也可以采用,但應提供詳細的研究資料和驗證資料。應在遵循相關法規的前提下使用本指導原則。
本指導原則是在現行法規、標準體系及當前認知水平下制定的,隨著法規、標準體系的不斷完善和科學技術的不斷發展,本指導原則相關內容也將適時進行調整。
本指導原則的適用范圍為以示波法通過袖帶和腕帶傳感器取得的壓力和脈搏信號來自動完成間接測量(無創)動脈血壓的裝置(以下簡稱電子血壓計),根據《醫療器械分類目錄》,管理類代號為6820。
本指導原則范圍不包含手指、胸阻抗、電子柯氏音法等方法測量血壓的設備和動態血壓監測設備,但在審查這些設備時也可參考本原則部分內容。
(一)產品名稱的要求
電子血壓計產品的命名應符合國家關于醫療器械命名規則的要求,按“加壓方式”(可選)+“測量部位(可選)”+“電子血壓計”的方式命名。例如:手腕式電子血壓計,上臂式電子血壓計、全自動上臂式電子血壓計、手動上臂式電子血壓計等。產品名稱應為通用名,不應包括產品型號、系列。
(二)產品的結構和組成
電子血壓計的主要功能為測量并顯示人體的血壓和脈率。
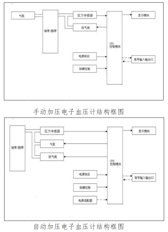
電子血壓計的組成一般包括主機、袖帶或腕帶,某些機型還配有電源適配器、通信線纜。
電子血壓計的主機結構通常包括氣泵(或橡膠球)、壓力傳感器、放氣閥、電源供應電路、按鍵控制電路、顯示模塊、CPU控制模塊、嵌入式軟件等。產品的關鍵部件為:壓力傳感器、袖帶或腕帶、嵌入式軟件(用于血壓監測過程控制、信號特征提取以及血壓的計算)。
電子血壓計按電源部分結構可分為:交流、直流和交直流兩用。使用交流電源的產品一般會配有外置的電源適配器。
電子血壓計的加壓方式(充氣機制)可分為:手動加壓和自動加壓。


自動加壓包括直接加壓和預判加壓兩種。直接加壓即在充氣過程中,使袖帶壓直接上升到一個固定的壓力值。預判加壓即在充氣加壓過程中預測量患者血壓的大致值,并根據預測量的收縮壓值來確定充氣的袖帶壓力值。
電子血壓計按測量部位可分為:上臂式,手腕式。
產品圖示舉例如下:



(三)產品工作原理/作用機理
采用示波法測量血壓的電子血壓計,其工作原理按測量方式可分為:降壓測量和升壓測量。
降壓測量法:血壓計使用氣泵對袖帶進行充氣加壓,利用充氣袖帶壓迫動脈血管,使動脈血管處于完全閉阻狀態。隨后開啟放氣閥,使袖帶內壓力緩慢下降。隨著袖帶內壓力的下降,動脈血管呈完全阻閉—漸開—全開的變化過程。降壓過程中,動脈內壓力振幅大小變化趨勢如下圖所示:

壓力傳感器采集大小變化的袖帶內壓力,將其轉化為數字信號送入CPU,通過嵌入式軟件辨別動脈血流受阻過程中相應壓力點,根據經驗累積的軟件算法得出人體的舒張壓、收縮壓和平均壓。
升壓測量法:血壓計使用氣泵對袖帶進行充氣加壓,利用充氣袖帶壓迫動脈血管,隨著袖帶壓力的上升,動脈血管呈全開—半閉—完全阻閉的變化過程。升壓過程中,動脈內壓力振幅大小變化趨勢如下圖所示:

壓力傳感器采集大小變化的袖帶內壓力振幅變化,將其轉化為數字信號送入CPU,使用嵌入式軟件分析,辨別動脈血流受阻過程中相應壓力點來確定人體的舒張壓、收縮壓和平均壓。
不管是降壓測量還是升壓測量, 軟件算法中的參數需要根據血壓計結構變化,袖帶尺寸變化,臨床數據收集等情況不斷進行修正。
因該產品為非直接治療類醫療器械,故本指導原則不包含產品作用機理的內容。
(四)注冊單元劃分的原則和實例
電子血壓計注冊單元劃分主要從產品的技術結構和性能指標來考慮。
1.技術結構:產品的技術結構不同,應劃分為不同的注冊單元。技術結構主要考慮以下因素:
——測量部位不同的,例如:手腕式、上臂式;
——測量方式不同的,例如:升壓測量法、降壓測量法;
——關鍵部件不同的,例如:影響血壓測量控制、計算的嵌入式軟件差異較大、壓力傳感器不同。
2.性能指標:主要性能指標有較大差異的,應考慮劃分為不同的注冊單元。
(五)產品適用的相關標準
產品適用的相關標準
| 標準編號 | 標準名稱 |
| GB 9706.1—2007 | 《醫用電氣設備第1部分:安全通用要求》 |
| GB/T 14710—2009 | 《醫用電器環境要求及試驗方法》 |
| GB/T 16886.1—2011 | 《醫療器械生物學評價第1部分:風險管理過程中的評價與試驗》 |
| GB/T 16886.5—2003 | 《醫療器械生物學評價第5部分:體外細胞毒性試驗》 |
| GB/T 16886.10—2005 | 《醫療器械生物學評價第10部分:刺激與遲發型超敏反應試驗》 |
| YY 0466.1—2009 | 《醫療器械用于醫療器械標簽、標記和提供信息的符號》 |
| YY 0505—2012 | 《醫用電氣設備第1-2部分:安全通用要求并列標準:電磁兼容-要求和試驗》 |
| YY 0670—2008 | 《無創自動測量血壓計》 |
| JJG 692—2010 | 《無創自動測量血壓計檢定規程》 |
上述標準包括了產品研究資料、技術要求中經常涉及到的標準。有的企業還會根據產品的特點引用一些行業外的標準和一些較為特殊的標準。
產品適用及引用標準的審查可以分兩步來進行。首先對引用標準的齊全性和適宜性進行審查,也就是在編寫產品技術要求時是否引用了與產品相關的國家標準、行業標準,以及引用是否準確。可以通過對產品技術要求是否引用了相關標準,以及所引用的標準是否適宜來進行審查。此時,應注意標準編號、標準名稱是否完整規范,年代號是否有效。其次對引用標準的采納情況進行審查。即,所引用的標準中的條款要求,是否在產品技術要求中進行了實質性的條款引用。這種引用通常采用兩種方式,文字表述繁多內容復雜的可以直接引用標準及條文號,比較簡單的也可以直接引述具體要求。
如有新版強制性國家標準、行業標準發布實施,產品性能指標等要求應執行最新版本的國家標準、行業標準。
(六)產品的適用范圍/預期用途、禁忌癥
該產品以示波法測量人體舒張壓、收縮壓、脈率,其數值供診斷參考。
根據臨床評價資料,產品應明確適用的人群。如:適用于成人、小兒或新生兒。
禁忌癥:無。
(七)產品的主要風險及研究要求
1.風險分析方法
在對風險的判定及分析中,要考慮合理的可預見的情況,它們包括:正常使用條件下和非正常使用條件下。
風險判定及分析應包括:對于患者的危害、對于操作者的危害和對于環境的危害。
產品每項危害產生的傷害和侵害的定量或定性的風險評估。
風險形成的初始原因應包括:人為因素(包括不合理的操作)、產品結構的危害、原材料危害、綜合危害和環境條件。
風險判定及分析考慮的問題包括:產品原材料生物學危害;產品質量是否會導致使用中出現不正常結果;操作信息(包括警示性語言、注意事項以及使用方法)的準確性等。
2.風險分析清單
電子血壓計產品的風險管理報告應符合《醫療器械風險管理對醫療器械的應用》(YY/T 0316—2008)的有關要求,審查要點包括:
——產品定性定量分析是否準確(依據YY/T 0316—2008 附錄C)。
——危害分析是否全面(依據YY/T 0316—2008附錄E)。
——風險可接收準則。
——產品風險評估。降低風險的措施及采取措施后風險的可接受程度,是否有新的風險產生。
根據YY/T 0316—2008附錄E對“電子血壓計”已知或可預見的風險進行判定,產品在進行風險分析時至少應包括以下的主要危害,企業還應根據自身的產品特點確定其他危害。針對產品的各項風險,企業應采取應對措施,確保風險降到可接受的程度。
電子血壓計的危害類型及形成因素
| 危害 | 可預見的事件序列 | 危害處境 | 損害 |
| 電磁能量 | 在強電磁輻射源附近使用電子血壓計測量,干擾程序運行,測量錯誤、測量結果誤差過大 | 依據過高讀數服用降壓藥物,導致藥物劑量過量 | 低血壓、嚴重時可能危及生命 |
| 依據過低讀數減少藥物劑量 | 高血壓未經控制,嚴重時引起中風 | ||
| 電源線中有浪涌能量 | 設備故障、壽命縮短 | 設備無法及時使用 | |
| 靜電放電 | 干擾程序運行 | 導致測量結果誤差過大、或數據擦除 | |
| 漏電流 | 產品配用漏電流超標的電源適配器 | 使用者、患者接觸適配器上的插頭、或接觸信號輸入/輸出插頭 | 灼傷、嚴重時死亡 |
| 熱能 | 使用負載能力較差的電源適配器 | 適配器中的部件過熱 | 燙傷、嚴重時起火 |
| 機械能 | 用于成人的血壓計被用于新生兒、產品最高袖帶壓未作規定或限值過高、測量周期過長、放氣閥門故障導致放氣失敗 | 過高、過長時間的壓力作用于人體 | 淤血、感覺不適、外周血管阻滯 |
| 產品意外墜落 | 機械部件松動,液晶板接觸不良 | 無法測量或測量誤差過大,數據無法讀取,嚴重時延誤治療 | |
| 不正確的測量 | 壓力傳感器長時間未經校準,壓力傳感器測量偏差、壓力傳感器超出使用壽命(公用血壓計),傳感器測量偏差 | 依據過高讀數服用藥物,導致藥物劑量過量 | 低血壓、嚴重時可能危及生命 |
| 依據過低讀數減少藥物劑量 | 高血壓未經控制,嚴重時引起中風 | ||
| 生物學 | 使用生物相容性不良的材質制作袖帶 | 人體接觸 | 皮膚過敏、刺激 |
| 化學 | 長時間不使用的電池未經取出,造成電池漏液 | 電路腐蝕、設備故障,血壓計無法工作 | 延誤治療 |
| 操作錯誤 | 使用不適當尺寸的袖帶,袖帶未扣緊 | 未能對被測部位的血管完全壓迫 | 測量失敗;測量值誤差過大,見“不正確的測量” |
| 測量部位與心臟高度不一致,被測者姿勢不良 | 測量部位與心臟壓力存在壓差 | ||
| 測量時被測者活動,說話 | 壓力信號中混雜噪聲 | ||
| 在血壓計規定的溫度范圍外測量 | 超出傳感器溫度線性范圍 | ||
| 不完整的說明書 | 未對錯誤操作進行說明 | 見“操作錯誤” | 測量失敗;測量值誤差過大,見“不正確的測量” |
| 不正確的消毒方法 | 使用有腐蝕性的清潔劑、消毒劑。產品部件腐蝕,血壓計無法工作 | 延誤治療 | |
| 不正確的產品貯存條件 | 器件老化,部件壽命降低 | 產品壽命降低,導致測量值誤差過大,見“不正確的測量” | |
| 未規定校驗周期 | 傳感器存在偏差,未對設備進行校準 | 見“不正確的測量” |
3.產品的研究要求
3.1產品性能研究
申報資料中應當包括產品性能研究資料以及產品技術要求的研究和編制說明,包括功能性、安全性指標以及與質量控制相關的其他指標的確定依據,所采用的標準或方法、采用的原因及理論基礎。
3.1.1應提交YY0670—2008中要求的系統整體的有效性研究資料。
制造商應提供針對自動血壓測量準確性的臨床評估報告。推薦的臨床評估方案:在這個臨床過程中應確保被評估系統的整體性能的評價方法符合YY 0670—2008中第G.1章(聽診法)或第G.2章(有創法)的要求,而且符合標識要求,并確保整個體系在上述臨床評價的統計結論應滿足:
——按YY0670—2008中G.1.1的方法,達到平均差不超過±0.67kPa(±5mmHg),標準偏差不超過1.067kPa(8mmHg);
——按YY0670—2008中G.1.2的方法,達到G.1的要求。
詳細方法和要求,請參見YY0670—2008附錄G。
除YY0667—2008中的臨床評估方案,本指導原則中推薦的其他臨床評估方案也是可選的。
3.1.2應描述所采用的國家標準標、行業標準中不適用條款的理由。
3.1.3如有附加的產品功能(如脈率)及檢測方法,給出其制定的相關的依據。
3.2軟件研究
軟件研究應參見《醫療器械軟件注冊技術審查指導原則》。制造商應提交一份單獨的醫療器械軟件描述文檔,內容包括基本信息、實現過程和核心算法,詳盡程度取決于軟件的安全性級別和復雜程度。同時,應當出具關于軟件版本命名規則的聲明,明確軟件版本的全部字段含義,確定軟件的完整版本和發行所用的版本
3.3生物相容性研究
生物相容性評價根據GB/T 16886.1標準進行,企業的申報資料應描述電子血壓計所用材料及其與人體接觸的性質,如:產品袖帶(腕帶)所采用的材料,與人體接觸為直接接觸。生物相容性評價研究應給出實施或豁免生物學試驗的理由和論證,并對現有數據或試驗結果進行評價。建議電子血壓計與患者接觸部件至少考慮以下方面的要求:細胞毒性0級(或依據ISO10993.5—2009Bio·ogica· eva·uation of medica· devices -- Part 5: Tests for in vitro cytotoxicity不超過2級);應無遲發型超敏反應;皮膚刺激應不大于1級。
3.4滅菌/微生物控制工藝研究
如產品聲稱具有無菌提供的部件,應提供滅菌工藝的研究資料。
3.5使用次數和包裝研究
3.5.1使用次數的確定:應當提供產品壽命信息及確定依據。
3.5.2包裝及包裝完整性:應當提供產品包裝的信息及確定依據,如產品聲稱具有無菌提供的部件,應提供在宣稱的有效期內以及運輸條件下,保持包裝完整性的依據。
(八)產品技術要求應包括的技術指標
本條款給出電子血壓計產品需要滿足的主要技術指標,企業可參考相應的國家標準、行業標準,根據企業自身產品的技術特點制定相應的要求,但不得低于相關強制性國家標準、行業標準的要求。如有不適用條款(包括國家標準、行業標準要求),企業在研究資料的產品性能研究中必須說明理由。
1.電子血壓計產品應符合YY 0670—2008中規定的要求(除
4.5.5 系統整體的有效性)。
2.電子血壓計產品應符合GB/T 14710—2009中氣候環境II
組和機械環境II組的要求。
3.電子血壓計產品應符合GB9706.1—2007中規定的要求。
4.電子血壓計產品應符合YY0505—2012中規定的要求。
(九)同一注冊單元中典型產品的確定原則和實例
同一注冊單元應按產品風險與技術指標的覆蓋性來選擇典型產品。典型產品應是同一注冊單元內能夠代表本單元內其他產品安全性和有效性的產品,應考慮功能最齊全、風險最高的產品。同一注冊單元中,若輔助功能不能互相覆蓋,則典型產品應為多個型號。
舉例:
具有不同輔助功能的上臂式電子血壓計可作為同一注冊單元。同一注冊單元中的兩個型號一個具有一種輔助功能,一種具有兩種輔助功能,應選取具有兩種輔助功能的型號作為典型型號。
(十)產品生產制造相關要求
1.應當明確產品生產加工工藝,注明關鍵工藝和特殊工藝,可采用流程圖的形式,并說明其過程控制點。
電子血壓計產品通常的生產加工工藝:外購/外協件/自制件→半成品組裝→程序燒入→靜態壓力校正→動態壓力校正→功能測試→成品組裝→包裝→出廠檢驗→入庫。
關鍵工藝及控制:靜態壓力校正、動態壓力校正。校正前應校準測試工裝的氣壓,并應用不良樣品檢測正常后才可進行。應定期對測試工裝進行壓力校準,并做記錄。
根據企業具體情況,生產加工工藝、關鍵工藝及控制可以有所不同。
2.產品若有多個生產場地,應當概述每個生產場地的實際情況。
3.提供產品主要元器件清單,清單中包括所用主要元器件(如:壓力傳感器、袖帶、CPU、電源適配器、氣泵、氣閥)所用原材料或規格型號、制造商等信息。
若主要元器件發生實質性變化時可能影響產品安全、有效的,其信息應列入注冊證“其他內容”欄中。
(十一)產品的臨床評價細化要求
1.產品可按照《醫療器械注冊管理辦法》(國家食品藥品監督管理總局令第4號)、《醫療器械臨床評價技術指導原則》的相關規定提交臨床評價資料,通過與同品種醫療器械的對比進行臨床評價。
提供與已上市電子血壓計產品進行同品種判定的綜述和相關證明資料。進行對比的項目均應包括但不限于:適用范圍、產品結構、工作原理、測量部位、測量方式、使用環境、主要技術指標、關鍵部件(嵌入式軟件、壓力傳感器、袖帶)、產品風險(禁忌癥、防范措施、警告)內容。(可參照本指導原則的附件《申報產品與同類產品比對表》提交)。
提供同品種產品臨床試驗的資料。同品種臨床試驗資料包括:其原始的臨床試驗方案和臨床試驗報告;或者已經公開的,取得廣泛認可的臨床試驗結果并在技術文獻資料或醫學學術雜志中刊登和記載的,能夠證明其安全使用的資料;或者國外同品種產品的原始臨床試驗資料(如果是外文資料,需要譯文和原文同時提交)。
2.通過同品種醫療器械的對比進行臨床評價不足以證明產品安全有效的,需進行臨床試驗。進行臨床試驗的產品,申請人應當提交臨床試驗協議、倫理委員會批件、臨床試驗方案和臨床試驗報告。
臨床試驗要求:
2.1臨床試驗機構應在已取得資質的臨床試驗機構內進行。臨床試驗應按照《醫療器械臨床試驗質量管理規范》的要求進行。臨床試驗樣品的生產應當符合醫療器械質量管理體系的相關要求。
2.2臨床試驗方案應合理、科學,能夠驗證產品的預期用途。方案中的臨床病例數的確定理由應充分、科學;選擇對象范圍應明確,涵蓋產品的預期用途;臨床評價標準應清晰明確,且得到臨床公認。
2.3臨床試驗報告應符合方案的要求。臨床試驗結果應明確,計量或計數結果可靠,并進行統計學分析;試驗效果分析應明確統計結果的臨床意義;臨床試驗結論應明確該產品的預期用途,符合臨床試驗目的。
2.4臨床試驗方案可選用本原則推薦的方案,企業自定臨床試驗方案時,如用于特殊人群例如兒童、孕婦或者針對特殊情況,或者產品聲稱具有除血壓測量以外的其他預期用途的,臨床試驗方案中不可缺少產品安全性、有效性驗證的內容。
2.4.1推薦選用YY0670—2008標準附錄G中評估方案或ESH(歐洲高血壓協會)評估方案或BHS(英國高血壓學會)的評估方案。(BHS需B檔以上)。
2.4.2自定臨床試驗方案的,應考慮下列要素:
· 臨床對照需采用人工聽診法或有創壓法。
· 臨床試驗方案的設計應由廠家、臨床專家和統計學家共同完成。統計分析人員應全程參與臨床試驗(包括:方案設計、數據管理、統計分析及統計分析報告)。
· 確保受試人群具有代表性,充分考慮成人、小兒、新生兒的差別。
· 如應用于特殊人群例如兒童、孕婦或者針對特殊情況(比如運動)需有符合統計學意義的特殊人群入組。
臨床試驗方案應當證明受試產品基本結構、性能等要素的基本情況以及受試產品的安全性、有效性。
(十二)產品的不良事件歷史記錄
2013年醫療器械不良事件年度報告顯示,全國電子血壓計不良事件報告數為2033,占總報告數0.9%,其中嚴重傷害報告數為60,占血壓計類產品報告數數的3%。
2014醫療器械不良事件年度報告數據為,全國電子血壓計不良事件報告數為1809,占總報告數0.7%,其中嚴重傷害報告數為70,占血壓計類產品報告數數的3.9%。
電子血壓計常見故障為:
1.測量不準,包括:(1)器械故障造成測量不準。由于電子信號混亂、電路上電子元件老化、氣管老化、管路漏氣都會造成測量失準。(2)操作失誤引起的測量偏差。
2.電子血壓計自身故障,如(1)按鈕無反應,主要由于機械接觸的按鈕內部彈片使用老化(2)開機不充氣,主要是由于氣泵異常、管路漏氣、系統自檢異常。(3)通電無顯示,原因為電源模塊異常或電池沒電。(4)顯示界面異常,顯示屏數字出現斷碼、缺筆、暗淡,通常的故障原因為顯示液晶屏與線路板連接部分異常。
查詢美國食品藥品管理局(FDA)網站Tota· Product ·ife Cyc·e數據庫,截至2015年涉及電子血壓計的產品問題為:“血壓計讀數過高”,僅基于此讀數而服用降壓藥物可導致藥物過量、引起血壓過低及其他藥物反應,嚴重時可能危及生命。“血壓計讀數過低”,服用降壓藥物治療高血壓的患者,基于過低讀數而減少降壓藥物劑量,嚴重時導致中風。其他問題還包括顯示錯誤,電源適配器連接網電源時發生打火閃爍。
(十三)產品說明書和標簽要求
電子血壓計產品的說明書、標簽和包裝標識應符合《醫療器械說明書和標簽管理規定》(國家食品藥品監督管理總局令第6號)和YY/T 0466.1—2009等標準中的相關要求。說明書、標簽的內容應當真實、完整、科學,并與產品特性相一致,文字內容必須使用中文,可以附加其他語種。說明書、標簽、包裝標識中的文字、符號、圖形、表格、數據等應相互一致,并符合相關標準和規范要求。
1.標簽要求
(1)應具有產品名稱、型號規格。產品名稱應符合本指導原則中產品名稱的要求。
(2)應有注冊人的名稱、住所、聯系方式。
(3)應有生產企業的名稱、住所、生產地址、聯系方式及生產許可證編號;委托生產的還應當標注受托企業的名稱、住所、生產地址、生產許可證編號。
(4)應有醫療器械注冊證編號及產品技術要求編號。
(5)應有生產日期,使用期限。
因位置或者大小受限,未能對標簽進行完整標注時,應在標簽中明確“其他內容詳見說明書”。
2.設備標識
(1)設備本身要顯示足夠的信息,便于可追溯和識別;
(2)警告標識,包括聲明需要請專業醫師解釋測量的血壓值;
(3)如果提供了零點或量程控制,也要對其操作和確認進行適當的說明;
(4)適當的操作指示;
(5)與精度要求相關的性能參數;
(6)設備配套使用的袖帶適用的肢體周長。
3.外包裝(至少應包括以下信息)
對于直接銷售給普通用戶的設備,外包裝上至少應包括:適用的臂圍;如果系統或傳感器的測量范圍和YY0670—2008中4.5中說明的范圍不一致時,設備限定的測量范圍;對電池供電的設備的特殊要求。
4.說明書
每臺設備都應附帶說明書,說明書應符合GB9706.1標準中的要求,至少應包括以下內容:
(1)說明書中應包括對使用警告總結的章節。
(2)介紹如何拆包、安裝、進行使用前檢查,獲取幫助服務的渠道、標準操作程序、常規維護、再校準及清洗頻次建議。
(3)提供程序、簡圖和零件列表,以及如何聯系制造商的服務中心。
(4)提示按照廠家指定的時間間隔對袖帶壓力傳感器/指示器的精度進行校驗。
(5)對于家用血壓計指出:詳細測量方法,至少包括手臂測量位置、在血壓測量之前恰當的休息時間、適合的袖帶尺寸,并聲明應有專業人士解釋測量所得的血壓值。
(6)提示用戶,測量者的姿勢以及身體狀況會影響血壓測量。
(7)聲明如果在制造商指定的溫度和濕度范圍外儲存或使用,系統可能無法達到聲稱的性能(制造商指定的溫度和濕度范圍應一并在聲明中給出)。
(8)產品是否適用新生兒,若適用,則應提供以下信息:
· 袖帶可以施加的最大壓力值;
· 適用的血壓范圍值;
· 可以用于血壓測量的最大壓力值;
· 最初充氣壓力值。
(9)當氣囊在持久過分充氣時狀態下可能存在的風險。
(10)確定顯示裝置故障的方法。
(11)推薦使用的消毒程序。
(12)關于本設備所得到的血壓測量值和其他獨立方法得到的測量值的相關性的聲明。
(13)當有普通心率失常出現時,該設備是否能達到聲稱的性能。
(14)產品質保信息。
關于本設備測量血壓有效性的聲明應該采用合適的驗證方法予以證實,并向使用者提供獲得有關驗證方法的信息途徑。
對于使用聽診法(使用袖帶、聽診器、壓力計)驗證的設備,應具備如下(或實質等同的)聲明:“本設備所測得的血壓值和聽診法的測量值等價,其誤差符合YY0667—2008規定的要求。”
5.部件標識:
(1)部件更換,如果某些部件可由使用者更換,而更換后可能會影響設備的性能以至于不再符合YY0667—2008中4.5的要求,該產品部件的標識應有如下措詞的陳述“注意:如果以非廠家提供的部件更換原有部件可能會引起測量錯誤”;
(2)電源系統標識(工作電壓、工作電流及工作頻率);
(3)電池供電設備的標識;
(4)袖帶標識:袖帶上應標示或說明其適用的肢體周長的范圍。
(一)產品結構
審查應關注產品(或產品系列)的結構組成的完整性,包括可能的選配件(如:電源適配器、不同型號規格的袖帶、通信附件、配套軟件等),以及所有關鍵部件。同一注冊單元產品的關鍵部件應相同。
(二)標準執行
審查產品技術要求時應注意產品(包括可能的選配件)必須執行GB9706.1—2007、YY0505—2012和YY0670—2008的要求。具體指標的適用性應按照產品具體的工作原理和結構組成進行判斷。如:系統整體有效性條款應在注冊時或關鍵部件變更時進行(應在研究資料中給出);采用升壓測量法進行血壓測量的血壓計,“充氣源”和“氣閥/袖帶放氣率”的要求是不適用的;對壓力控制閥的要求,應首先明確產品的結構是壓力自控氣閥還是自動氣閥;采用壓力自控氣閥的血壓計的“氣閥/袖帶放氣率”要求應與所使用的袖帶配套試驗;“氣囊和袖帶”的要求應包括所有可選的袖帶,并根據袖帶是否帶氣囊選擇適用條款。
產品中除血壓判定算法外的軟件、附加功能應在技術要求中規定要求和具體的試驗方法。
(三)系統整體有效性要求,
應審查所提交的研究資料中說明試驗采用的方法(如果采用的是與聽診法作為參考標準,應說明調查者是否受過培訓,如果采用有創法,應說明有創壓選擇的插管的動脈),并提供試驗的具體數據和分析報告。數據和分析報告應符合所選方法的要求(如:數據的平均差、標準差、受試人群性別、年齡、臂圍、收縮壓、舒張壓的分布及特殊人群的描述等)。
系統整體有效性要求也應適用于具有顯示平均壓的產品。
(四)臨床試驗
審查應注意臨床試驗與系統整體有效性試驗在預期用途的結論方面的一致性。如產品聲稱具有除血壓測量以外的其他預期用途,也應在臨床試驗中進行有效性的驗證。
如產品變更注冊時涉及血壓測量準確性部分的變更,也應進
行臨床評價。
(五)說明書的審查
應注意明確產品的預期用途,選配件、附加功能應列明并表述正確。對產品禁忌癥和不適宜人群的描述應與臨床報告中給出的一致。
附錄Ⅰ
(申報產品A)(型號)與(比對產品B)(型號)對比說明
A、B產品綜述,綜述內容包括:基本原理、結構組成、生產工藝、性能要求、適用范圍、使用方法等內容。
附表 A、B產品關鍵參數、關鍵部件的描述對比
| 項目名 | 產品A描述 | 產品B描述 | 備注(差異) | 對比結論 | |||
| 基本原理 | 工作原理 | ||||||
| 測量部位 | |||||||
| 充氣機制或放氣機制 | |||||||
| 測量方式 | |||||||
| 結構組成 | *產品組成 | ||||||
| 壓力傳感器 | 靜態 | 壓力量程 | |||||
| 顯示精度 | ±3mmHg | ||||||
| 線性誤差 | ±3mmHg | ||||||
| 動態 | 滯后 | ±3mmHg | |||||
| 蠕變 | ±1mmHg/20min | ||||||
| 溫度特性 | ±3mmHg | ||||||
| 產品與人體接觸部件的說明,且至少應包含袖帶和氣囊的材質、尺寸 | |||||||
| 軟件組件:血壓判定算法部分 | |||||||
| *軟件組件:除血壓判定算法外的軟件功能 | |||||||
| 生產工藝 | |||||||
| 性能要求 | 主要技術指標 | ||||||
| 功能參數(如:儲存容量/測量數據存儲量,脈率測量等) | |||||||
| 安全性評價 | |||||||
| 產品符合的國家/行業標準 | |||||||
| 適用范圍 | 適用人群 | ||||||
| 使用環境 | |||||||
| 使用方法 | |||||||
| 禁忌癥 | |||||||
| 防范措施和警告 | |||||||
| 滅菌/消毒方式 | |||||||
| 包裝 | |||||||
| 標簽 | |||||||
| 產品說明書 | |||||||
說明:
充氣機制:升壓測量法測量過程中,充氣泵配合充氣速率控制方法而形成特定充氣方式。放氣機制:降壓測量法測量過程中,放氣閥配合放氣速率控制方法而形成特定放氣方式。
產品結構組成中標有*號的內容在不影響血壓測量準確性基礎上,可以有所差異。
本指導原則用于指導和規范審查人員對第二類電子血壓計注冊申報項目的技術審評。
本指導原則旨在讓初次接觸該類產品的注冊審查人員對產品原理、結構、主要性能、預期用途等各個方面有個基本了解,同時讓技術審查人員在產品注冊技術審評時把握基本的尺度,以確保產品的安全、有效。
《醫療器械監督管理條例》(國務院令第650號)
《醫療器械注冊管理辦法》(國家食品藥品監督管理總局令第4號)
《醫療器械臨床試驗規定》(國家食品藥品監督管理局令第5號)
《醫療器械說明書和標簽管理規定》(國家食品藥品監督管理總局令第6號)
國家食品藥品監督管理局發布的其他規范性文件
YY/T 0316—2008《醫療器械風險管理對醫療器械的應用》
YY 0670—2008《無創自動測量血壓計》等電子血壓計相關的國家、行業標準
本指導原則的編寫遵從《醫療器械產品注冊技術審查指導原則編寫格式要求》,語言表述采取提示方式,以利于審評人員直入審查內容。
(一)手指式電子血壓計由于準確性問題在市場上已不多見,目前以上臂式和手腕式電子血壓計為主流銷售產品。
(二)臨床方案參考了歐洲高血壓協會(ESH)和英國高血壓協會(BHS)評估方案,這2種方案和YY0670—2008附錄G中方案均為國際高血壓協會推薦的臨床準確性評估方案。
(三)查閱美國FDA網站和國家藥品不良反應監測中心內容未見本產品相關不良反應。
(四)本指導原則也參考了美國FDA指南文件內容。
(五)產品的主要性能指標中給出了產品需要考慮的各個方面,有些需參照相關的國家標準、行業標準,有些則需要依據企業的技術能力。
(六)產品的不良事件歷史記錄主要從國家食品藥品監督管理局的不良事件數據庫和美國FDA數據庫中查找,也征詢了相關領域的臨床專家,尚未發現不良事件。
(一)產品名稱的要求:根據產品工作方式的特點,及《醫療器械命名規則(試行)》征求意見稿第六條和目前國家局網站上查詢到的產品名稱,本次指導原則中增加了“加壓方式”(可選)作為產品通用名中結構特點的特征詞。
根據《醫療器械命名規則(試行)》第九條的規定增加了產品名稱不應加以型號、系列作為通用名稱的要求。
(二)根據《醫療器械產品注冊技術審查指導原則編寫格式要求》增加了產品結構和組成中的產品主要功能描述。
文字性修改了產品結構和組成的描述。
根據現有產品實際分類,將原電子血壓計結構框圖修改為“自動加壓電子血壓計結構框圖”、增加“手動加壓電子血壓計結構框圖”和“泵閥一體式電子血壓計結構框圖”,修改了圖中的CPU至泵、閥的箭頭指向。
刪除了注1)中“自動加壓包括直接加壓和預判(也稱智能)加壓兩種。”中“智能”一詞。
增加了電源適配器的照片。
(三)產品適用的相關標準:刪除了GB/T9969—2008 《工業產品使用說明書總則》、GB/T2828.1—2003 《技術抽樣檢驗程序第1部分:按接收質量限(A·Q)檢索的逐批檢驗抽樣計劃》、GB/T2829—2002 《周期檢驗計數抽樣程序及表(適用于對過程穩定性的檢驗)》這些在技術要求中不做直接引用的標準。
(四)修訂了表2危害類型及形成因素,根據查詢到的資料,增加了產品危害類型及形成因素的描述。
(五)產品研究要求:
1.增加了產品性能研究中應提交YY0670—2008中要求的系
統整體的有效性研究資料。該要求是涉及進行人體試驗的臨床評估要求,根據YY0670—2008中該條款的注:該要求僅用于設計驗證。目前,在產品檢驗、特別是第三方檢驗中存在該條款難以操作的實際問題,且根據《醫療器械產品技術要求編寫指導原則》(三)性能指標“產品設計開發中的評價性內容原則上不在產品技術要求中制定”。但條款作為行業標準中的要求必須執行,故將原指導原則中“主要技術指標”中的“系統整體的有效性”作為研究資料進行要求。
2.增加研究資料中應給出采用國家、行業標準時不適用條款的理由。
3.增加了產品具有附加功能及檢測方法時,應給出其制定的相關依據。
4.根據《關于公布醫療器械注冊申報資料要求和批準證明文件格式的公告》(國家食品藥品監督管理局公告2014第43號)第五節(七)的要求,提出了研究資料中應具有軟件描述文檔。
5.增加了使用次數和包裝的研究資料要求。根據《關于公布醫療器械注冊申報資料要求和批準證明文件格式的公告》(國家食品藥品監督管理局公告2014第43號)第五節(五)的要求,電子血壓計產品為有限次重復使用的醫療器械,故應提交產品壽命信息及確定依據。
6.增加了產品生產制造相關要求及相關的控制點、對產品主要元器件清單的要求和出廠檢驗的要求。
7.產品技術要求章節代替原產品主要技術指標,增加了“明
確規格/型號的劃分”。
8.修改了產品檢測要求,對于產品注冊檢驗,不再要求進行系統整體有效性檢驗,理由見上述5(1)。根據《醫療器械產品技術要求編寫指導原則》,刪除了產品出廠檢驗要求。
9.產品臨床評價要求根據《關于醫療器械(含體外診斷試劑)注冊申報有關問題的公告》(國家食品藥品監督管理總局公告2014年第129號),文字性修改了對文件的要求。
10.增加產品的不良事件歷史記錄:包括2013、2014年醫療器械不良事件年度報告,電子血壓計常見故障及美國FDA網站Tota· Product ·ife Cyc·e數據庫中截至2015年檢索出的產品主要問題。
11.根據電子血壓計產品的說明書、標簽和包裝標識應符合
《醫療器械說明書和標簽管理規定》(國家食品藥品監督管理總局令第6號)的要求,更新了對產品說明和標簽的要求。
12.根據《醫療器械臨床評價技術指導原則》,更新了申報
產品與同品種產品比對表,并在表中增加了對壓力傳感器的具體要求。
在本次指導原則修訂過程中,經實地調研及網絡公開收集意見。收到的意見及采納情況如下:
| 序號 | 收到意見 | 采納情況 |
| 1 | 增加對實質性等同判定表中對關鍵器件如CPU、傳感器的等同性判斷基準指標,增加等同判定表的可操作性。 | 采納。在實質等同判定表中增加判斷指標,并公開征求意見。 |
| 2 | 建議在產品結構中追加泵閥一體式的結構類型,目前歐姆龍在產的產品(如HEM-6221、8622型手腕式電子血壓計)中已有此種結構。 | 采納。新增相應產品結構框圖。 |
| 3 | 在主要技術指標中建議增加產品壽命相關的項目:袖帶剝離、袖帶接口插拔的壽命要求。這些項目目前并未在行業標準中進行要求。 | 不采納。產品壽命(使用次數)在產品研究資料中具有要求,企業應提交相關資料。在技術指標中不宜強制加入行業標準未做規定的要求。 |
| 4 | 建議刪除或修改出廠檢驗項目。 | 采納。根據《醫療器械產品技術要求編寫指導原則》,刪除了技術要求中的出廠檢驗項目。產品出廠檢驗相關項目在生產要求中進行要求。 |
| 5 | 建議產品檢測要求整合“袖帶標識、最大袖帶壓”等9項檢驗內容。 | 同上。 |
| 6 | 注冊單元劃分實例,建議將“關鍵部件不同,不同材料結構的袖帶和氣囊”修改為“不同規格的袖帶和氣囊”。 | 采納。 |
| 7 | 對于閥門的檢測,建議考慮主機的性能進行驗證。 | 不采納。閥門的要求在行業標準YY0670—2008中已有相應要求。 |
| 8 | “智能”不刪除,理由:行業中已經廣泛應用,如果沒有的話,今后個別省認定不可寫的話,會產生區域歧視,對公平競爭不利。 | 不采納。根據目前對國家局網站的查詢,涉及“智能”作為產品名的電子血壓計確實有一定數量,但電子血壓計產品的“智能”目前尚無相關定義,文中的“智能”描述可能作為特征詞成為產品命名的依據,不利于規范產品命名。企業的理由如“個別省認定不可寫的話,會產生區域歧視,對公平競爭不利。”是指導原則具體執行時可能產生的一致性問題,建議在執行層面進行監督。 |
| 9 | 細胞毒性:修改成不超過2級。 理由:按照ISO10993.5—2009中文解釋,只有超過2級,才是具有細胞毒性的效果。(我們16886.5是參照10993.5的1999版,那上面沒有這句話。) 袖帶是短時間接觸皮膚的一般部品,保存時也沒有特殊的要求,只要不會產生細胞毒性的效果,就可以認為是安全的。 | 采納。目前國家標準執行的GB16886.5與ISO標準在分級上有差異。但這兩種標準均可能在進行生物學評價時作為考慮依據。本指導原則鼓勵企業參考最新的國際標準,故擬在保留原GB/T 16886.5的基礎上增加ISO10993—2009中相關的要求。 |
| 10 | P6:YY0466—2003標準是否應修改為YY0466.1—2009 | 采納。應采用現行有效的行業標準。 |
在本次指導原則修訂過程中,經審校專家組審校后,收到的意見及修改情況如下:
| 序號 | 收到意見 | 采納情況 |
| 1 | 二級目錄及正文的字體使用的不是規定字體 | 按要求的字體進行修改。 |
| 2 | 二(四)中行距與其他部分不一致 | 統一為“固定值26磅”。 |
| 3 | 編制說明中行距與正文不一致 | 統一為“固定值26磅”。 |
| 4 | (十三)產品說明書和標簽要求 5.部件標識:(1) | 修改“影像”為“影響”,此處為錯字。 |
| 5 | 產品臨床評價要求根據《關于醫療器械(含體外診斷試劑)注冊申報有關問題的公告(第129號)》,產品臨床評價要求根據《醫療器械臨床評價技術指導原則》。 | 產品臨床評價要求的依據修改為《醫療器械臨床評價技術指導原則》 |
| 6 | 附件中關鍵參數、關鍵部件對比,缺少對比項目,如《醫療器械臨床評價技術指導原則》規定的“與人體接觸部件的制造材料,軟件核心功能”,以及11—16項。 | 附件中對比項目:“與人體接觸部件的制造材料,軟件核心功能”在原文中根據血壓計產品特點以“袖帶和氣囊的材質、尺寸”和“軟件組件:血壓判定算法部分”、“除血壓判定算法外的軟件”進行了具體分解描述。原文中的前者描述不夠全面,故進行了增補,增加“產品與人體接觸部件的說明”作為前提,后者不再增加描述。 增補了《醫療器械臨床評價技術指導原則》12—16項。第11項禁忌癥原文中列入適用范圍中,按要求重新分行。 |
| 7 | 注冊單元劃分的原則和實例/技術結構:產品的技術結構不同,應劃分為不同的注冊單元。 ——關鍵部件不同的,例如:影響血壓判定算法的嵌入式軟件不同、不同壓力傳感器、不同規格的袖帶和氣囊等。 結構組成相同,關鍵部件不同的,可選取多個型號的典型產品,但建議可作為一個注冊單元。 | 不采納。注冊單元劃分還涉及單元內性能、安全和電磁兼容測試典型產品的選擇,造成操作復雜。 |
| 8 | 二、技術審查要點(二)產品的結構和組成,建議在某些機型的描述中增加“橡膠球”,因為手動加壓電子血壓計配有“橡膠球。” | 在技術審查要點(二)產品結構和組成中修改語句為電子血壓計的主機結構通常包括氣泵(或橡膠球)、……。 |
| 9 | 技術審查要點(八)建議不要重復行標中的條文,直接說明符合哪項標準,如“符合YY 0670—2008要求”。 | 刪除條文具體內容并修改為: 1. 電子血壓計產品應符合YY 0670—2008中規定的要求(除4.5.5 系統整體的有效性)。 2. 電子血壓計產品應符合GB/T 14710—2009中氣候環境II組和機械環境II組的要求。3. 電子血壓計產品應符合GB 9706.1—2007中規定的要求。 4. 電子血壓計產品應符合YY 0505—2012中規定的要求。 |
| 10 | 技術審查要點(九)建議增加電磁兼容型號覆蓋的操作原則 | 原文“應考慮功能最齊全、風險最高的產品”實際已考慮性能要求、安全性能和電磁兼容性能。同一注冊單元內功能最齊全的產品可認為能夠覆蓋單元內其他產品。 |
| 11 | 技術審查要點(十二)內容描述與編制說明中描述不一致,建議統一 | 已統一描述,修改了標題、美國FDA數據庫名稱。 |
| 12 | 技術審查要點(十三)“和YY/T0466.1—2009中的相關要求”,建議改為“和YY/T 0466.1—2009等標準中的相關要求” | 已按建議修改,文中增加“等標準”。 |
| 13 | (十)產品生產制造相關要求,建議刪除具體出廠檢測項目 | 已刪除具體出廠檢測項目 |
| 14 | 3.2生物相容性評價,建議給出可接受標準 | 增加建議的可接受標準:電子血壓計袖帶(或腕帶)的生物相容性要求應至少符合以下要求:細胞毒性0級(或依據ISO 10993.5—2009 Biological evaluation of medical devices -- Part 5: Tests for in vitro cytotoxicity不超過2級);應無遲發型超敏反應;皮膚刺激應不大于1級。該要求為原調研中根據以往審評經驗給出,見上表意見及采納中第9條。此要求原在起草小組內部審評會議中取消,理由為生物相容性為評價性要求,不宜列出具體指標。 |
| 15 | 編制說明:GB/T2828.1—2003 《技術抽樣檢驗程序第1部分:按接收質量限(ALQ)檢索的逐批檢驗抽樣計劃》建議改為GB/T 2828.1—2003 《技術抽樣檢驗程序第1部分:按接收質量限(ALQ)檢索的逐批檢驗抽樣計劃》 | 已修改,增加空格 |
| 16 | 編制說明:GB/T2829—2002 《周期檢驗計數抽樣程序及表(適用于對過程穩定性的檢驗)》建議改為GB/T 2829—2002 《周期檢驗計數抽樣程序及表(適用于對過程穩定性的檢驗)》 | 已修改,增加空格 |
| 17 | 編制說明:YY0670—2008建議改為YY 0670—2008 | 已修改,增加空格 |
| 18 | 編制說明:《關于公布醫療器械注冊申報資料要求和批準證明文件格式的公共》建議改為《關于公布醫療器械注冊申報資料要求和批準證明文件格式的公告》 | 已修改,此處為打字錯誤。 |
| 19 | (五)中《醫療器械生物學評價第1部分:評價與試驗》建議改為《醫療器械生物學評價第1部分:風險管理過程中的評價與試驗》 | 已修改 |
本指導原則的編寫成員由上海醫療器械注冊行政審批人員、技術審評人員、上海市醫療器械質量監督檢驗所專家共同組成,編寫過程中調研了國內大、中、小型電子血壓計生產企業,與高血壓研究機構以及ESH成員共同探討指導原則中各個方面的內容,盡量確保指導原則的正確、全面、實用。編寫單位:上海市食品藥品監督管理局認證審評中心

站點聲明
本網站所提供的信息僅供參考之用,并不代表本網贊同其觀點,也不代表本網對其真實性負責。圖片版權歸原作者所有,如有侵權請聯系我們,我們立刻刪除。如有關于作品內容、版權或其它問題請于作品發表后的30日內與本站聯系,本網將迅速給您回應并做相關處理。
鄭州思途醫療科技有限公司專注于醫療器械產品政策與法規規事務服務,提供產品注冊備案申報代理、臨床試驗、體系建立輔導、分類界定、申請創新辦理服務。
為深入貫徹落實中共中央辦公廳、國務院辦公廳印發的《關于深化審評審批制度改革鼓勵藥品醫療器械創新的意見》(廳字〔2017〕42號),按照國家藥品監督管理局《關于擴大醫療器械
為規范醫療器械注冊人跨區域委托生產的監督管理,推進長江三角洲區域醫療器械跨區域監管,根據《中共中央辦公廳國務院辦公廳關于深化審評審批制度改革鼓勵藥品醫療器械創新的意見》《
附件:血液透析用水處理設備注冊審查指導原則(2024年修訂版)(2024年第19號).doc血液透析用水處理設備注冊審查指導原則(2024年修訂版)本指導原則旨在指導注冊申請人對血液透析用水處理設備注冊申報資料的準備及撰寫,同時也為技術審評部門提供參考。本指導原則是對血液透析用水處理設備的一般要求,注冊申請人依據產品的具體特性確定其中內容是否適用。若不適用,要具體闡述理由及相應的科學依據,并依據產
關于發布醫療器械質量管理體系年度自查報告編寫指南的通告(2022年第13號)發布時間:2022-03-24為加強醫療器械生產監管,保障醫療器械安全有效,根據《醫
附件:醫療器械監督管理條例(2025年修訂版).doc醫療器械監督管理條例(2000年1月4日中華人民共和國國務院令第276號公布 2014年2月12日國務院第
為深化醫療器械審評審批制度改革,加強醫療器械臨床試驗管理,根據《醫療器械監督管理條例》(國務院令第739號)及《醫療器械注冊與備案管理辦法》(市場監管總局令第47號)、《
國家藥監局器審中心關于發布影像型超聲診斷設備(第三類)注冊審查指導原則(2023年修訂版)的通告(2024年第29號)發布時間:2024-10-14為進一步規范
附件:一次性使用醫用沖洗器產品注冊審查指導原則(2022年第41號).doc一次性使用醫用沖洗器產品注冊審查指導原則本指導原則旨在指導注冊申請人對一次性使用醫用
為提高醫療器械技術審評的規范性和科學性,指導醫療器械注冊人/備案人編寫產品技術要求,根據《醫療器械監督管理條例》及《醫療器械注冊與備案管理辦法》《體外診斷試劑注冊與
附件:醫療器械生產監督管理辦法(國家市場監督管理總局令2022年第53號).doc醫療器械生產監督管理辦法(2022年3月10日國家市場監督管理總局令第53號公布自2022年5月1日起施行)第一章總則第一條為了加強醫療器械生產監督管理,規范醫療器械生產活動,保證醫療器械安全、有效,根據《醫療器械監督管理條例》,制定本辦法。第二條在中華人民共和國境內從事醫療器械生產活動及其監督管理,應當遵守本辦法。
行業資訊
知識分享
八年
醫療器械服務經驗
聯系思途,免費獲得專屬《落地解決方案》及報價
咨詢相關問題或咨詢報價,可以直接與我們聯系
思途CRO——醫療器械注冊臨床第三方平臺
